小信号というのは、文字通り小さな信号のことで、ざっと言って10mV以下ぐらいの、たとえばマイクロフォンとかレコードのカートリッジの出力信号のようなものを指す。そういうものを入力としたときのアンプにはどのような注意が必要かというと、それはひとえに「ノイズのレベルをいかに小さく抑えるか」である。
それでは、ギターアンプはというと、もろにこの小出力増幅である。エレキギターから来る信号の大きさは、1mV以下から1V超えぐらいまで非常に幅が広く(ダイナミックレンジが大きい、という)、超かすかなピッキングや、弾いた音が減衰して行くときとかは小信号であり、弦をバキバキかき鳴らすとむしろ大出力と言ってもいいほどの信号になる。ギターアンプはふつう非常にゲインが高く設計されている。仮にかすかな音が1mVだとして、これを1Vまで増幅するには1000倍のゲインが必要になるが、同じエレキをジャンジャン鳴らしてエレキの出力が1Vになったとするとアンプの出力はなんと1000Vという恐ろしいことになる。しかし、普通、そんなことにはならず、増幅回路のどこかでクリップがかかって、そのせいで音は必ず歪むことになる。エレキを鳴らすアンプは、歪みを許す小信号増幅器と言えるであろう。
ギターアンプは小信号増幅なので、オーディオアンプと同じくノイズが問題になるのだが、エレキギターではふつうそれほどノイズを気にしない。エレキギター自体も外界のノイズを盛大に拾うし、ノイズを気にしていたらきりがない、というのもある。爆音でエレキを弾く人はそもそもノイズなんか気にしてたら演奏できないとも言う。それどころか、昔の録音とか聞くと、弾いてないときのエレキがジーーとか鳴ってて、それでコードをいきなり思いっ切りジヤヤアッーッン!と弾いたりして、ノイズをほとんどエフェクトとして使ってるんじゃないかみたいなのもある(ジミヘンがけっこう、それであろう)。とはいえ、現代はハイファイ時代なんで、ギターアンプでも静かなアンプ(オーディオではノイズがとても少ないアンプをこう呼ぶ)が好まれたりする。
ここでは、主にオーディオアンプの小信号増幅についてそのポイントを解説する。ギターアンプの設計で、このオーディオアンプで言われているローノイズ対策をうるさく言うのをあまり見ないが、静かなギターアンプが欲しい人には参考になるかもしれない。
ノイズの大きさ
最終的にはスピーカーからどれぐらいのノイズが出ているかが問題になるのだが、それではどれぐらいのノイズならば許容できるのであろうか。一般的には、ノイズの大きさは信号の大きさに対して相対的なものと考えると理にかなっている。信号が大きいところではノイズが大きくてもよくて、信号が小さいところではノイズも小さくないといけない、という考え方である。この「信号に対するノイズの大きさ」を表す数字をS/N比(エスエヌひ)、日本語で「信号対雑音比」と呼ぶ。信号の電力をPs、ノイズの電力をPnとすると
Ps
S/N = ----
Pn
で計算する。S/Nの単位にはふつうdB(デシベル)を使うのだが、ここで、真空管回路で分かりやすいように電力ではなく電圧で考えると、その場合、次の式になる。
Vs
S/N = 20 log10 ---- (dB)
Vn
たとえば信号が1Vのところでノイズが0.01Vであれば、S/Nは、20 log
10100 = 40dBということになる。
というわけで、結局ノイズの許容値は、このS/Nがどれぐらいあればよいかということになるが、一般的には
60dBが目安になる。比で言うと1000である。これは、S/Nが60dBあれば、聴覚的に言ってそれほどノイズが気にならない、ということである。
これをオーディオの小信号増幅で考えてみよう。例として、レコードのカートリッジの出力を増幅するプリアンプがあるとしよう。プリアンプの出力は、メインアンプの入力になるが、一般的なメインアンプの入力信号電圧は1V(実効値)である。一方、このプリアンプの入力だが、フォノカートリッジの出力の定格はおよそ1mVである。これを1Vにまで増幅するので、1000倍の増幅器が必要である。さて、プリアンプの出力でS/Nを60dB確保するためには、1Vの1/1000のノイズが許容されるので、1mVのノイズに抑えないといけない。アンプの増幅率が1000で、出力のノイズが1mVなので、カートリッジ入力の部分では、1mVの1/1000の0.001mV = 1μVのノイズに抑えないといけないことになる。1μVはかなり小さな値で、これを完全に満足するように真空管でプリアンプを作るのはわりと難しい。
以上はS/Nを使ったノイズ設計だが、ここでオーディオアンプでよく言われている別の目安を紹介しておこう。オーディオアンプで「静かなアンプ」(ふつうメインアンプ)と呼べるためには、信号をゼロにしてアンプのボリュームを最大にしたとき、スピーカーの両端子のところでのノイズ電圧の値が
1mV以下、というのが目安になる。もちろん、1mVのノイズが耳にどれぐらいの大きさで聞こえるかは、
スピーカーの能率で異なるが、目安としては便利な値である。通常のスピーカーでノイズが1mVだと、3メートルていどの通常のリスニング位置だとノイズはほとんど聞こえず、スピーカーに耳を近づけて聞こえる程度である。ここでは、アンプのゲインや、出力ワット数と無関係に1mVと言っているので、S/Nで60dBという目安とは異なるが、オーディオでは、現実的にこのていどのノイズ電圧に抑えた方がいいですよ、という意味では使える基準である。
ちなみに、ギターアンプで、スピーカー端子で1mVのノイズに抑えるのは、ゲインが高すぎて、まず無理である。ボリュームを最大にすると、どうしてもシャーとかジーとかブーンとか言っているものである。ましてやエレキをつないでエレキ側のボリュームを上げると、ギターピックアップが外来のノイズを拾い、盛大にジャーッと鳴るのが普通である。
というわけで、以降では、この小信号増幅でノイズを少なくするための方法についてお話しすることにしよう。
ノイズを抑えるには?
小信号アンプでは、ふつう1000倍以上のゲインが必要なので、ごく自然に多段増幅になる。ギターアンプでも同じで、多段増幅は必須である。それで、一般的に、多段増幅のとき、出力のノイズの大きさは、初段が発生するノイズでほとんど決まってしまう。目安としては初段の増幅率(ゲイン)が20倍を超えると、初段がノイズを決めてしまう、と言われている。ギターアンプの初段は、12AX7が使われることが多いが、12AX7の増幅回路は50倍ぐらいのゲインになるので、初段がきくことになる。ということはつまり、初段さえ厳重に注意してノイズを減らせば、全体に静かなアンプに近づいて行く、ということになるわけだ。以下に箇条書きにしてあげて行こう。
■ ローノイズの真空管を使う
真空管自体がノイズを発生する。一般にハイゲインの真空管ほどノイズが大きい。ノイズのタイプとしては、サーというホワイトノイズ(日本語で白色雑音)がメインだが、ときどき不定期にキュル、キュルと鳴ってみたりすることもある。この真空管ノイズは、真空管によってだいぶノイズの大きさが違う。メーカーが「ローノイズ」をうたっている真空管を使うとよい。例えば、12AX7であれば、7025や12AX7Aなどがローノイズ版の12AX7である。それから、ノイズは個体差があるので、複数の球からノイズの少ないものを選ぶ、というのも手である。少なくともギターアンプで、12AX7がたくさん使われている場合、差し替えてみて初段に一番ノイズが小さいのを持ってくる、ということなどができるであろう。もちろん、ノイズ量はメーカーによっても違う。
■ マイクロフォニックノイズの小さな真空管を使う
このマイクロフォニックノイズは真空管独特のノイズで、前項で説明したノイズとは異なる。これは、真空管がマイクロフォンみたいに働いて、外の物理的な振動を拾ってそれを信号として出力してしまう現象である。分かりやすくは、ギターアンプのスイッチを入れて音量を上げた状態で、真空管を割り箸とかで(僕は爪でやるが)、コンコンと叩くとスピーカーからそれが「コンコン」と音になって出てくる事態のことを言う。なんでそんなことが起こるかというと、真空管は電極がいくつも中に入っているが、それが物理的に振動すると電気的性質がそれに応じて変化し、それを信号として出してしまうのである。特に、コンボアンプなどでスピーカーのそばにこのマイクロフォニックノイズの大きな真空管があると、スピーカーの音で真空管が振動し、フィードバックがかかり最悪ピーピー鳴ってしまったりする。
原理から分かるとおり、電極の支持がゆるかったりするとマイクロフォニックノイズは大きくなる。個体差もあるし、メーカーによる作り方の違いもある。ローノイズとされる真空管はだいたいこのマイクロフォニックノイズの対策もされていることが多く、前項と同じくローノイズの真空管を選んだり、複数の中から一番ノイズの小さいのを選んだりするとよい
■ 初段に5極管を使わない
5極管はそもそも3極管よりノイズが大きいのが普通である。まず、5極管はカソードとプレートの間にグリッドが3つほどあり(3極管はグリッド一つだけ)、カソードから出た電子はそれらグリッドを通ってプレートに達するが、電子がグリッドを通るとき、グリッドの隙間を通り抜けたり、吸い込まれたりするのだが、その複数のグリッドに電子が分流するミクロの振る舞いが変わるため、これがプレートの電流にノイズとなって現れるのである。これはパーティション・ノイズ(Partition noise:仕切りによるノイズ)と言われ、4極管以上で発生する。それに加えて、5極管は、前述のマイクロフォニックノイズも、グリッドが多く電極が増えた分だけ3極管より大きいのが普通である。
というわけで、初段には5極管を使わず、3極管にした方がノイズが減る。現にギターアンプで初段に5極管を使った例は、初期のギターアンプ(最初期のFender Champ 5C1では6SJ7が、初期のVOXではEF86が使われている)にはいくらかあるが、その後のアンプのほとんどが初段は12AX7などの3極管なのは、こういうわけである。ただし、5極管はノイズのせいで初段にはまるで使えないというほどひどいものでもなく、それに、やはり5極管は5極管で、3極管とは異なる独特のトーンが得られるのは確かのようで、考え方次第であろう。余談だが、
5極管をオーバードライブさせると3極管とは違う歪み方をするので、たとえば5極管を初段以外のところで、歪みを意識して使ってみる、などというのも面白いかもしれない。
■ ローノイズの抵抗を使う
 |
初段の回路
|
上に書いたように真空管はノイズ源だが、抵抗もノイズ発生源である。抵抗のノイズはnV(ナノボルト = μVの1/1000 = 10
-9 V)〜μVのオーダーでかなり小さいのだが、小信号アンプでは問題になるレベルである。ノイズの物理学はわりと難しいので別に譲るとして、ここでは大雑把に語ることにしよう。
抵抗のノイズには、
熱雑音と
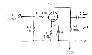
電流雑音がある。熱雑音は抵抗がそこにあるだけで発生するランダムなノイズ(ホワイトノイズ)で、抵抗が大きいほど、温度が高いほど大きくなる。熱によって抵抗の中の電子がランダムに振動して、それがノイズ源になるのである。これはもうどんなタイプの抵抗であっても物理現象として逃れられない宿命なので、熱雑音がローノイズな抵抗などというものは存在しない。幸い、熱雑音は小さいのでそれほど問題にならないが、初段のグリッドに直列に入っている抵抗(図中のR2、ストッパー抵抗と呼んだりする)とか、並列に入るグリッドリーク抵抗(図中のR1)などは、あるいは効いてくるかもしれない(未検証です)
次に電流雑音だが、これは抵抗に電流が流れて電子があれこれと乱れている様子が雑音になって現れるもので、これは電流が大きいほど、そして抵抗が大きいほど大きくなる。この電流雑音は、抵抗の材質や形状とかに関係していて、それゆえ、抵抗としてローノイズの物を作ることができるので、調べると分かるがローノイズ抵抗としていろいろ売られている。初段の回路で盛大に電流が流れているのはプレート抵抗(R4)とカソード抵抗(R3)で、特に抵抗値の大きいプレート抵抗はこのノイズの影響が大きい。むかしからプレート抵抗にはいいものを使え、と言われているのは、そのせいもあるだろう。抵抗の材質で言うと、よく使うカラーコードの入った1/2Wのカーボン抵抗(僕はコレが定番でいまでも使うが)は、電流雑音がわりと大きいのであんまりよくない。金属皮膜抵抗や薄膜抵抗がローノイズと言われているが、一概にどれがいいとは言えないので、調べたり、試行錯誤が必要である。
■ 流れる電流を少なく、抵抗値を小さく、ワット数に余裕あるものを使う
前項までの真空管のノイズも抵抗のノイズも、いろんなノイズがあるとはいえ、おしなべて流れる電流が大きく、抵抗値が大きく、温度が高くなるとノイズが増える性質がある。したがって、その逆になるように回路を設計したり、実装したりするとノイズは減るわけだ。まず初段のプレート電流を少なめに設定する。たとえば、Fenderのアンプの12AX7の定番回路では、プレート抵抗が100kΩ、カソード抵抗が1.5kΩで、プレート電流はおよそ1mAに設計されているが、この値をいじって初段だけ電流を少なくしてみるのもいいかもしれない。ただし、プレート電流を小さくすると、今度はプレート抵抗を大きくしないとバイアスの釣り合いが取れないので、これはトレードオフで、一概に電流を少なく設計すればいいというわけではない。それから、抵抗の図体が小さいと電流雑音が多めに出る傾向があるので、W数に余裕のある大きめの抵抗を使うのもよい。ただし、以上はローノイズの観点で言っているだけで、当たり前だが、音がよくなければ元も子もない。
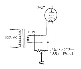
■ 真空管のヒーターにハムバランサを使う
 |
ハムバランサ―
|
ヒーターの配線は当然、片側をグラウンドにつないでいるわけだが(そうしないと、けっこう大きなジーというノイズが出る)、それだけでなく、ハムバランサを使って、ノイズ(ハム)が一番小さなポイントを探る。ハムバランサはこれは耳で聞いてもあまり分からなかったりすることもあるが、その場合はテスターでノイズ電圧を読んで調整するとよい。
■ 真空管のヒーターをDC点火にする
ヒーターをACではなくDC(直流)で供給すれば、ヒーターに起因する、あの「ジー」というノイズはなくなり、これをすることでかなり静かなアンプに近づく。当然ながらDCにするための整流回路が必要で、回路が増える。たぶんオーディオアンプの世界では、プリアンプの多くはこのDC点火であろう。ただ、ギターアンプの世界ではほとんど見たことが無い。エレキをつないでエレキのボリュームを上げてしまえば、ギターマイクのノイズの方がはるかに大きく、この程度のノイズは吹っ飛んでしまうからであろう。
■ 初段に供給するB電源フィルタを十分にする
これは当然のことだが、B電源にリップルが乗っていれば、そのままノイズになって出て行く。したがって特に初段に供給するB電源には、何段かをつなげたCRフィルタ(
デカップリングフィルタ)が必要である。ギターアンプとかだと定番の回路で、すでにそのようになっているので、だいたい大丈夫だが、本当に静かなアンプにしたいなら、十分にリップルを少なくしておく。ただし、ここでも注意したいが、特にギターアンプの場合、デカップリングのフィルタの大きさは音質にも影響するので、たとえばむやみに電解コンデンサをでかくしてみたりして、アンプを静かにしたいばっかりに音質が犠牲になっては元も子もない。
ここでは小信号増幅の話なので初段の話をしているが、ギターアンプの定番回路では往々にして終段のパワー管へのB電源にリップルがけっこう残っていたりして、これがスピーカーからハムになって出てくる。終段に5極管を使いプッシュプルだとB電源のリップルには強くなるので、少しぐらいリップルが残っていても平気なのだが、チェックしてみてもいい。ただ、これも、リップルを抑えるフィルタを入れると音も変わるので、同じく要注意ではある。
いずれにせよ、静かなアンプにしたいなら、初段だけでなく、中間段や、終段のノイズもチェックしないといけないのは、当然のことである。
■ 入力ジャックから初段グリッドにシールド線を使う
初段グリッドへ向かうこの線は、非常に小さい信号でもノイズになって出てしまうセンシティブな部分なんで、外来のノイズを遮断するシールド線を使うとよい。シールドは片側だけグラウンドにつなぐのがセオリーである。理由は、グラウンドループを作らないようにするためである。図のように、両方をつなぐとグラウンドのループが出来てしまい、これがノイズを拾うことがある。なんでノイズを拾うかというと、こういう導線のループの中に電源トランスだとかの磁束が通ると、そのループにそれに応じた電流が流れ、それがノイズ(ハム)の原因になったりするからである。それから、シールド線は容量(コンデンサ成分)を持っていて線が長いと
ハイ落ちするのであまり引き回さないように気を付ける。

|

|
シールド線
|
シールド線の両端をグラウンドにつないでしまうと |
■ 回路のループの面積を小さくする
音声信号が流れる部分には必ずループができる。初段の回路だったら、図のように、グリッド側とプレート側に2つループができる。前述のアースループと同じく、ここに磁束が通るとループに電流が流れ、ノイズ源になる。これを回避するためには、このループの面積を極力小さくする。もちろん、ノイズの元になる電源トランスやヒーター配線(これは遠ざけようがないが)などの磁力線を発生するものを遠ざける。

|
| 2つのループの面積を極力小さく実装する(特に左のループ) |
■ シールドをしっかりする
 |
シールドケース
|
シャーシーで初段の回路をシールドするのはもちろんとして、真空管にシールドケースを取り付けて、真空管そのものをシールドするのもよい。また、真空管のソケットも良いものを使って、変な風にノイズを拾わないようにする。
■ すぐにあきらめない(最後に)
最後に、この手のノイズ低減の作業について大切なことを言っておこう。いままで見てわかるように、ノイズの発生の理由は実にたくさんある。これらのさまざまな原因のノイズが積み重なって、最終的なノイズ量になるのである。なので、この要因のうちの一つを改善してみて、耳で聞いて「ノイズ減らねえなあ」と感じたとしても、それだけでは分からない。塵も積もれば山となる、ということわざがあるが、その通りで、本当にローノイズなアンプを作りたいなら、ノイズの原因を一つ一つていねいに潰してゆくしかない。劇的に変わらなくてもあきらめずに追求することが大切である。
あともう一つ大切なことだが、これは上でも何度か言ったが、ノイズを減らそうと工夫すると、往々にして音の性格も変わる。これはギターアンプで顕著だが、実はオーディオアンプでも同じである。僕らが追求するのはよい音であって、全体のバランスを崩してまでローノイズだけにこだわる必要があるかは、立ち止まって考えた方がいいと思う。